
服務熱線13584069528
SP-YTP-60/100/150衛生型隔膜壓力表參數
SP-YTP-60/100/150衛生型隔膜壓力表具有裝拆快捷方便,易于清洗,不易污染,清潔美觀,安全可靠等優點。并滿足藥品生產質量規范(GMP)的要求,可廣泛應用于制藥、食品、飲料、制酪、水處理等行業
SP-YTP-60/100/150衛生型隔膜壓力表主要技術指標
隔膜表的耐蝕性
隔膜表的耐蝕性可通過合適的選擇與測量介質接觸部分的隔膜、法蘭及密封圈的材料來保證。
隔膜材料:316L
法蘭材料:201、304、316、316L
密封因材料:硅橡膠、聚四氟乙烯
密封液的選擇
為了保證衛生型隔膜表使用的可靠性和安全性,根據不同用途,選擇合適的密封液。
注:1.用戶也可選用其它通用型壓力表,訂購時同本廠協商。
2.衛生型隔膜壓力表同隔膜裝置連接方式也可選用其它形式,訂貨時同本廠協商。
□隔膜裝置法蘭尺寸
1.卡箍式隔膜隔離器[代號MC]

|
法蘭尺寸 |
A |
B |
|
11/2" |
43.5 |
50.5 |
|
2" |
56.5 |
64.0 |
自選件(符合ISO--2852標準)
1.卡箍11/2、2"
2.管接頭11/2、2"
3.密封圈(材料為硅橡膠、聚四氟乙烯)
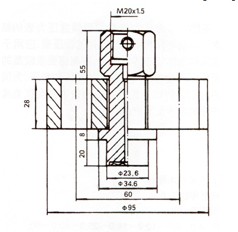
2.螺母式隔膜隔離器[代號MN]
衛生型隔膜壓力表隔膜和隔膜座材料:0Cr17Ni12Mo2[316]

3.矩形法蘭式隔膜隔離器[代號MH]
隔膜和隔膜座材料:0Cr17Ni12Mo2[316]
聯系電話
微信掃一掃